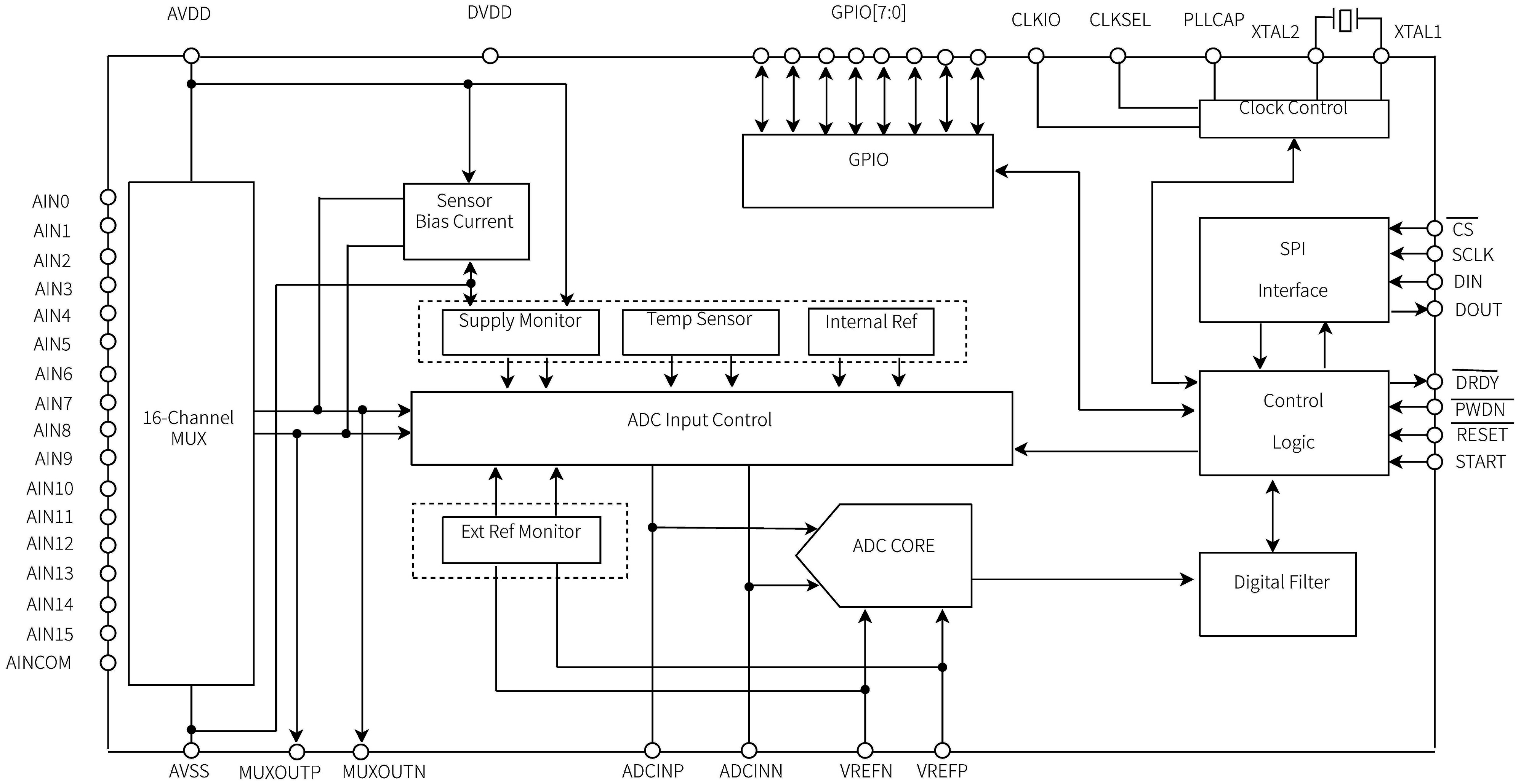
GYC1258是一个低噪声、16通道、24位、ΔΣ型ADC,支持16个单通道输入或者8组差分输入。既可以支持单次转换也可以支持连续转换。单次转换时,最大数据速率为29.5kSPS;连续转换时,最大数据速率为125kSPS。片内含有PLL电路,可以将32.768kHz的晶振时钟升频至15.729MHz作为系统时钟使用,同时还可以接受外灌最高16MHz时钟作为系统时钟使用。
本芯片具有系统自检功能,可以通过寄存器读取供电电压、片内温度、参考电压、增益、失调电压等数据。支持串行SPI通信,可以对输入通道、数据速率、GPIO、检测功能等进行配置。
顶视图

工作原理框图

典型应用电路

Copyright © 2025 西安硅宇微电子有限公司 技术支持:兄弟网络