GYC1220是一款精密、低功耗、兼容SPI接口、24位ΔΣ型ADC,其内部集成了一个低噪声可编程增益放大器(PGA)、两个可编程输出电流源(IDAC)、一个电压基准、一个振荡器、一个低侧开关和一个精密温度传感器。这些特性使得GYC1220适用于测量微弱信号,例如电阻式温度检测器(RTD)、热电偶、热敏电阻和桥式传感器。
GYC1220能够以高达2kSPS的速率进行数据转换,并且能够在单周期内稳定。输入多路选择器(MUX)可以提供4个单端输入或2个差分输入。针对工业应用,当采样率为20SPS时,数字滤波器能够实现50Hz和60Hz同步抑制。启用PGA时,支持伪差分输入或全差分输入;禁用PGA后,仍提供高输入阻抗和高达4V/V的增益,以及能实现单端测量。
顶视图


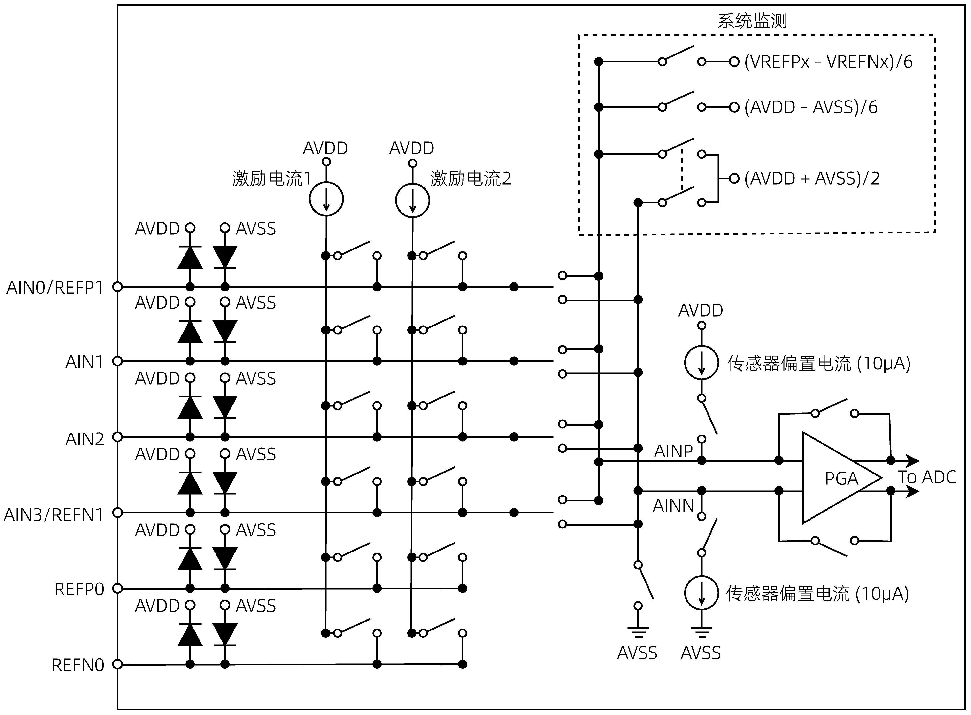
工作原理框图

典型应用电路

Copyright © 2025 西安硅宇微电子有限公司 技术支持:兄弟网络