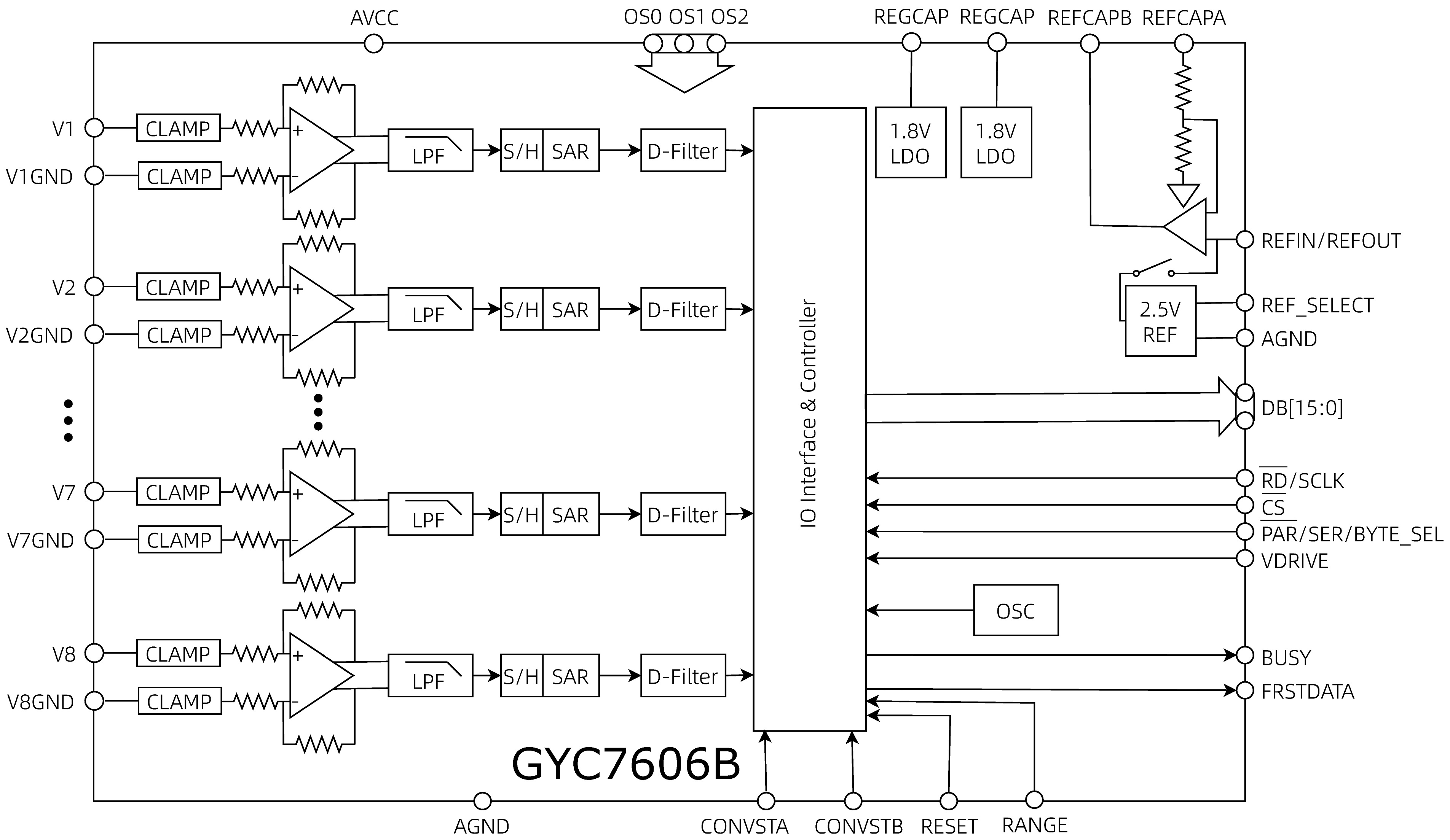
GYC7606B是一款16位、8通道同步采样模拟数据采集系统(DAS)。各通道均内置模拟输入钳位保护、二阶抗混叠滤波器、跟踪保持放大器、16位SAR ADC,内置了灵活的数字滤波器、2.5V基准电压源、基准电压缓冲以及高速串行和并行接口。
GYC7606B采用5V单电源供电,可以处理 ±10V、±5V真双极性输入信号,同时所有通道均能以高达200kSPS的吞吐速率采样。在各种采样频率工作下,输入钳位保护电路可以承受高达 ±18.5V的电压。1MΩ的高输入阻抗以及片内滤波器,可以极大简化外围电路设计。
模拟输入ESD HBM可达7000V
92dB SNR(无过采样),-105dB THD
±1LSB INL,±0.8LSB DNL
SPI/QSPI/MICROWIRE/DSP兼容
模拟输入钳位保护
具有1MΩ模拟输入阻抗的输入缓冲器
二阶抗混叠模拟滤波器
片内精密基准电压及缓冲
16位、200kSPS ADC(所有通道)
通过数字滤波器提供过采样功能
顶视图

工作原理框图

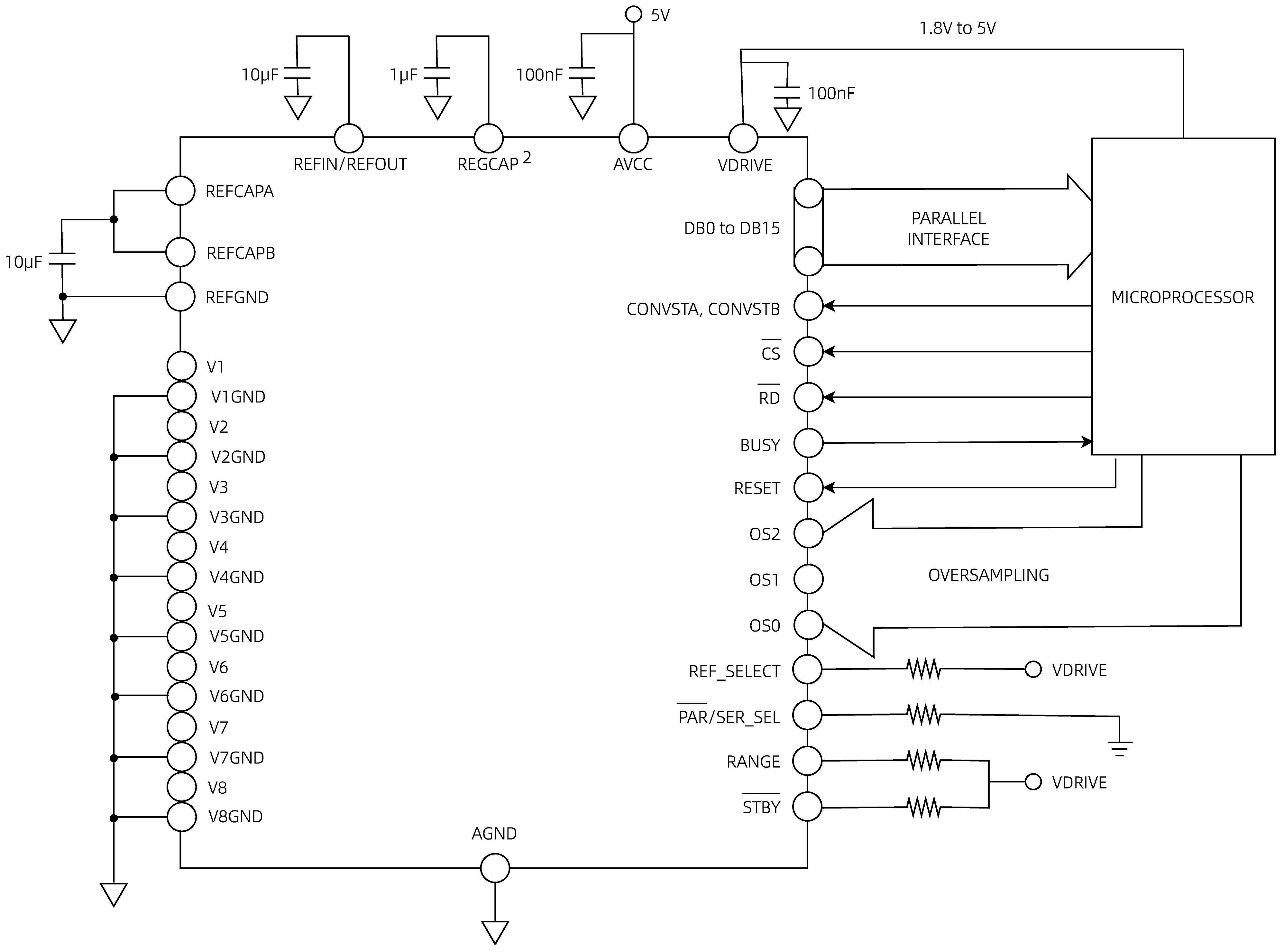
典型应用电路

Copyright © 2025 西安硅宇微电子有限公司 技术支持:兄弟网络