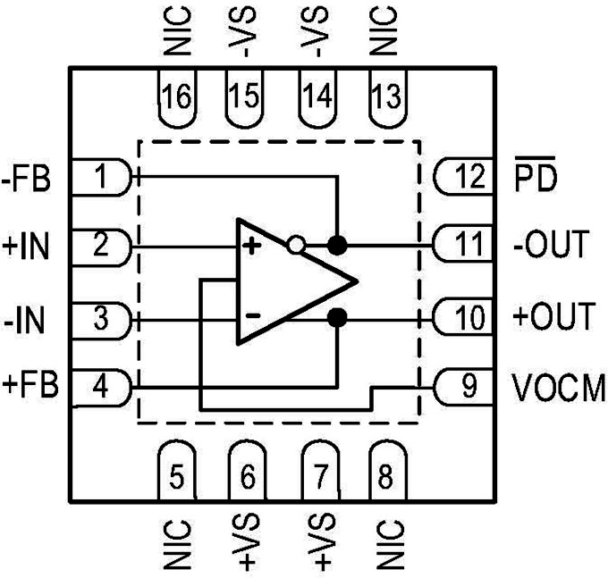
GYZ3100是一款宽带全差分放大器。放大器的增益由两对匹配的电阻器设置,与用于驱动各种差分输入ADC或用于驱动长线信号的简单运算放大器相比,GYZ3100是个重大进步。
GYZ3100提供145MHz的-3dB带宽,同时仅消耗4.6mA的电源电流。它消除了对高性能高速ADC通常所需的BALUN的需求,在输入电压和电流偏移方面实现了出色的低频和直流精度。差分输出的共模电平可通过VOCM引脚编程,在1V至任一供电轨的范围内,可以轻松实现对输入信号进行电平转换,以驱动单电源差分输入ADC。这些功能的结合也使GYZ3100成为高性能SAR ADC和Σ−Δ ADC的理想驱动器,这些ADC需要直流精度和快速稳定时间,以支持ADC的大采样电容。GYZ3100可以用作低成本双绞线或同轴电缆上高速信号的差分线路驱动器。宽的电源范围非常适合广泛的通用应用,如模拟或数字视频信号。可以优化外部反馈网络以增强信号的高频分量,从而适应信号信道的低通滤波。与分离线路驱动器解决方案相比,GYZ3100显著节省了成本,提高了性能并减少了面积。
GYZ3100提供MSOP8、SOP8、QFN16封装,工作温度范围:-55°C至+125°C。
顶视图


工作原理框图

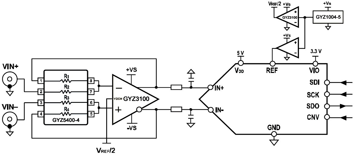
典型应用电路

Copyright © 2025 西安硅宇微电子有限公司 技术支持:兄弟网络