GYR8241、GYR8242是一款高速的电压反馈放大器,具有电流反馈放大器的高速转换特性,可以应用在所有传统的电压反馈运放应用方案中。
GYR8241、GYR8242能够稳定工作在低增益环路下(增益为+2和-1),仅消耗7.5mA/通道的供电电流(VDD = ±5V),即可实现3200V/μs的极高压摆率和140MHz的单位增益带宽,是高速信号处理和视频应用方案的理想选择。
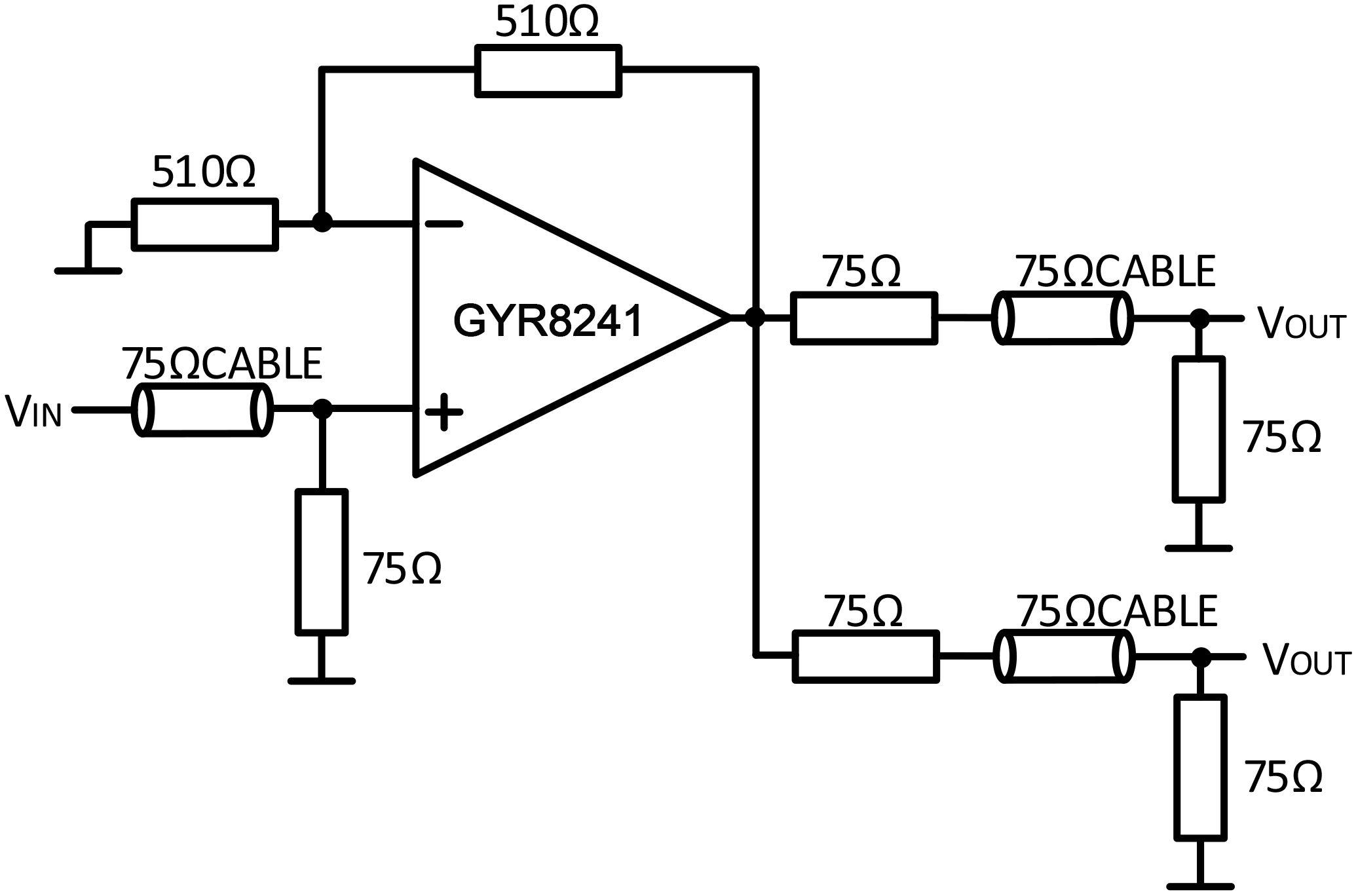
GYR8241、GYR8242具有200mA的最大输出电流能力,可以作为转接驱动器和激光驱动器应用于视频传输中。
GYR8241、GYR8242具有良好的动态特性、极低的信噪比和谐波失真,适用于ADC/DAC系统。工作电压为±5V,可用于各类便携设备。
GYR8241为单通道放大器,采用MSOP8、SOP8、SOT23-5的封装形式,电气特性兼容TI公司的LM7171。
GYR8242为双通道放大器,采用MSOP8、SOP8的封装形式,电气特性兼容TI公司的LM7372。
顶视图

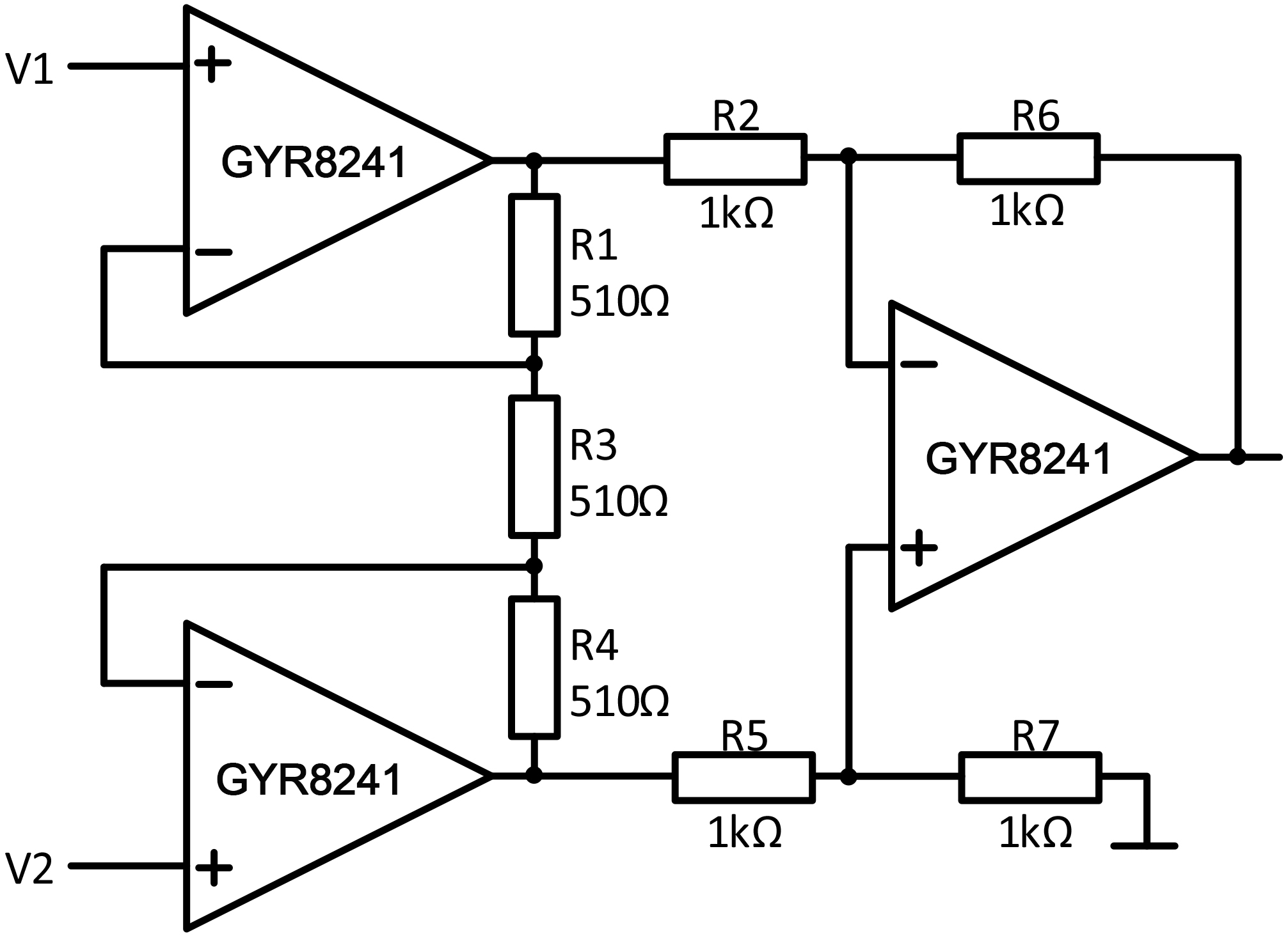
典型应用电路


Copyright © 2025 西安硅宇微电子有限公司 技术支持:兄弟网络