GYC1115是一款高精度、低功耗、兼容I2C、16位ΔΣ型ADC,其内部集成了一个低漂移电压基准、一个振荡器、一个可编程PGA和一个数字比较器。
GYC1115能够以2kSPS的速率执行转换操作。PGA提供的可编程输入电压范围为±256mV至±6.144V,输入多路选择器(MUX)可以提供4个单端输入和2个差分输入。数字比较器提供了过压检测功能。
GYC1115可工作于单次转换模式或者连续转换模式。单次转换模式在一个转换完成之后将自动进入断电模式,从而极大地降低了空闲状态下的电流消耗。
顶视图



工作原理框图

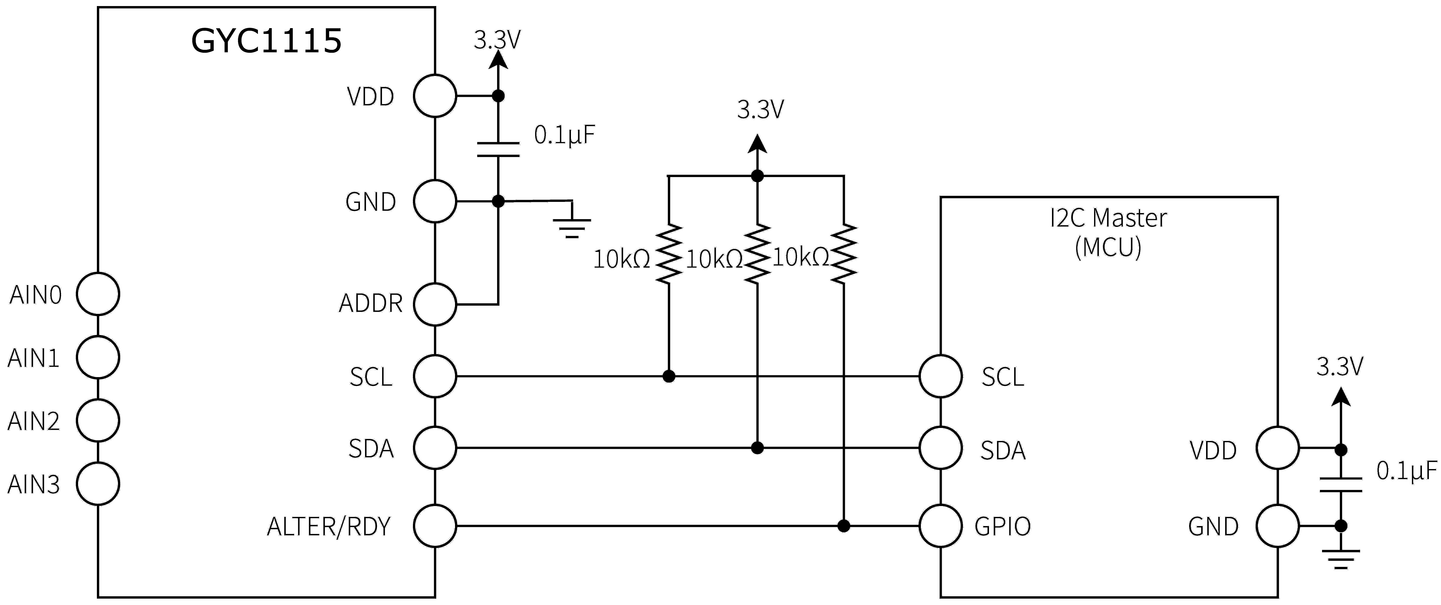
典型应用电路

Copyright © 2025 西安硅宇微电子有限公司 技术支持:兄弟网络