GYC1021是一款精密基准源,7.2V ~ 40V的宽电源电压范围内,提供几乎不随输入电压变化的5V输出,且可支持高达10mA的双向负载电流。
GYC1021采用专利电路设计,保证了优异的噪声性能以及极低的温漂,是任何高精度应用中电压基准的理想选择。
GYC1021提供SOP8和CSOP8的封装形式,工作温度范围最大为-55°C ~ +125°C。
顶视图

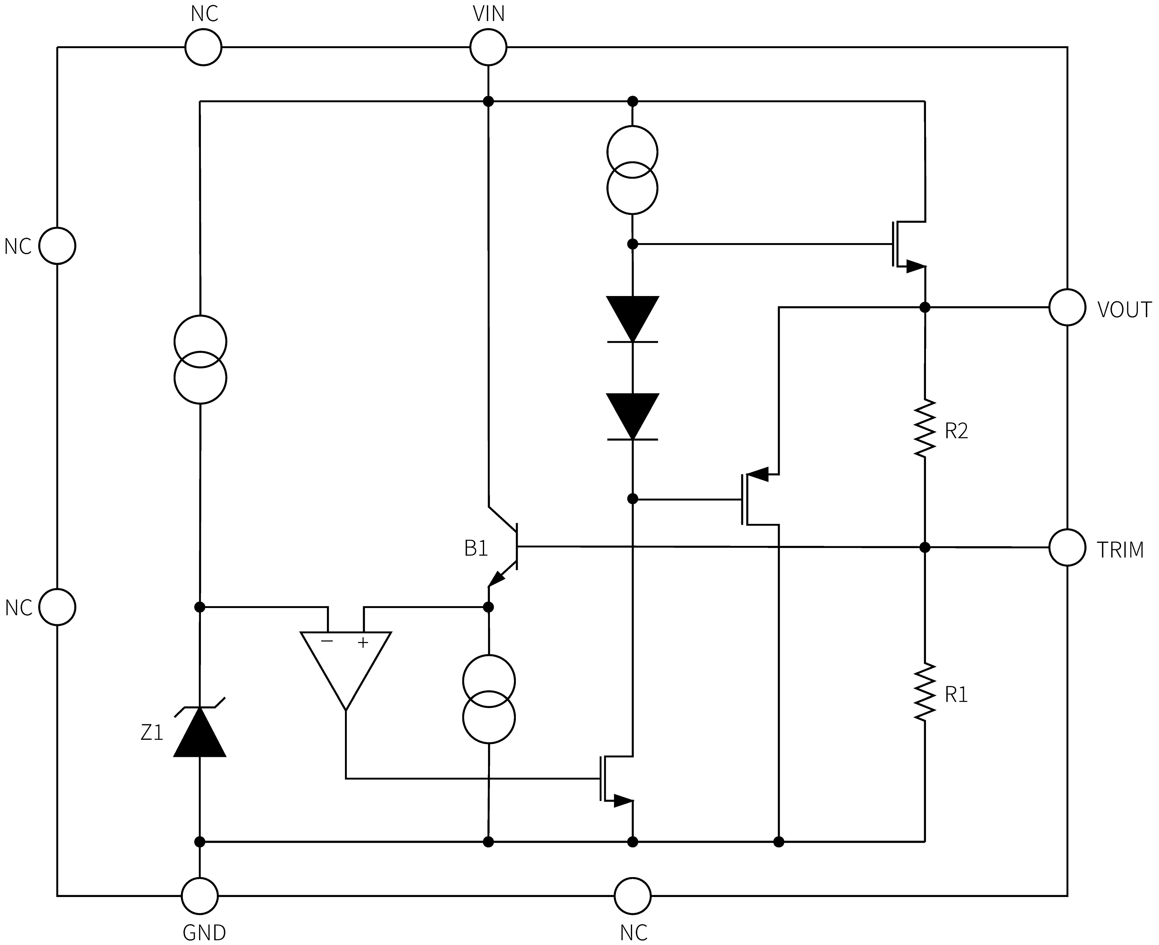
工作原理框图

典型应用电路

Copyright © 2025 西安硅宇微电子有限公司 技术支持:兄弟网络