产品中心

PRODUCTS

GYC587

GYC587是高精度电压基准芯片,在7.2V ~ 40V的宽电源电压范围内,提供几乎不随输入电压变化的10V输出,且可支持高达10mA的双向负载电流。
  • 详细介绍
  • 特性说明
  • 产品详情

GYC587是高精度电压基准芯片,在7.2V ~ 40V的宽电源电压范围内,提供几乎不随输入电压变化的10V输出,且可支持高达10mA的双向负载电流。

GYC587采用专利电路技术以及电阻微调,可实现最大3ppm/°C的极低温漂特性。

  • 宽电源电压范围:7.2V ~ 40V
  • 极低的温漂:最大值为3ppm/°C
  • 初始精度:±0.05%
  • 低噪声:典型值为4.7μVrms(0.1Hz至10Hz,5V)
  • 支持微调输出电压
  • 输出支持双向电流:±10Ma
  • 输出电压:10V

顶视图

        GYC587引脚图


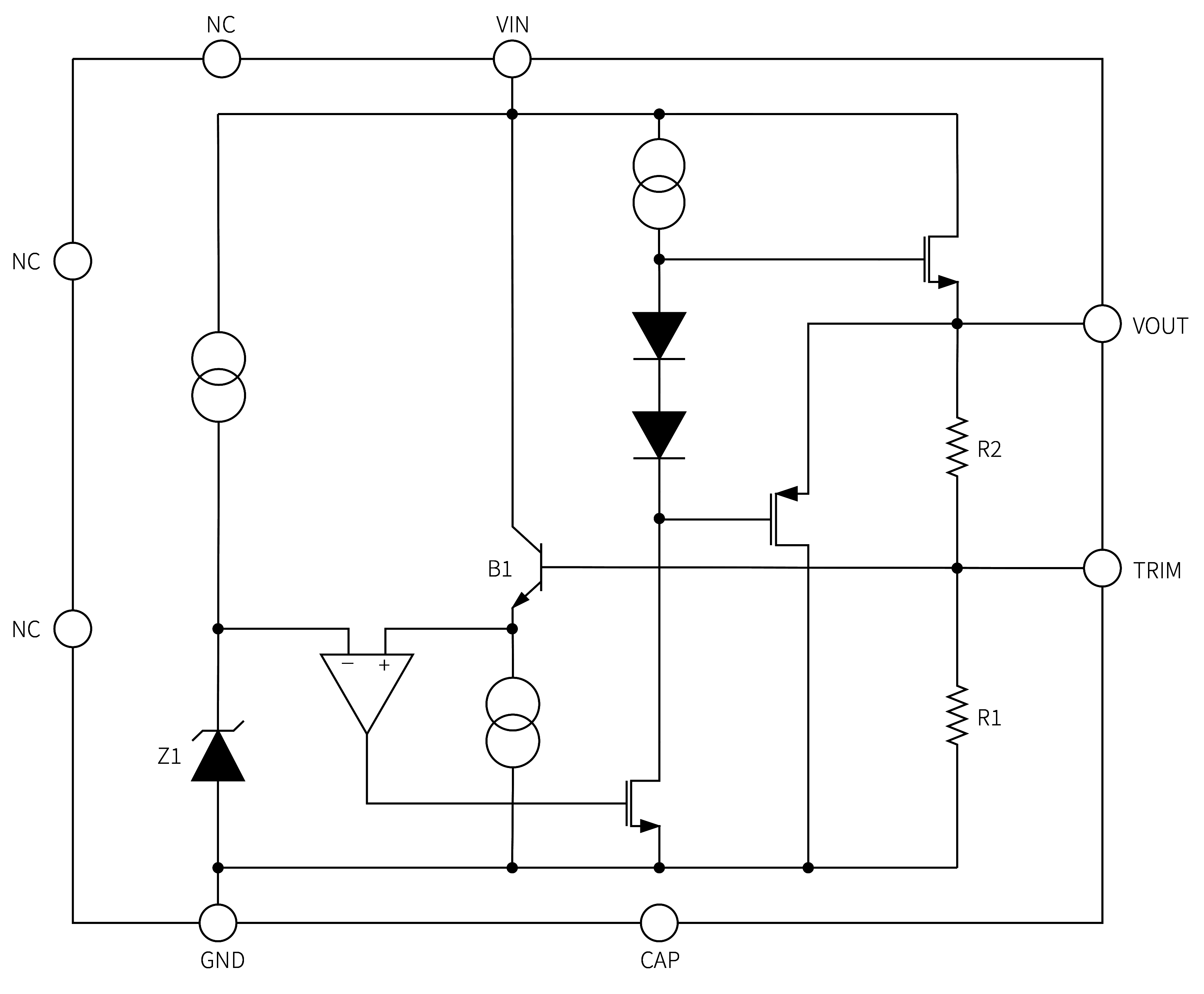
工作原理框图

        GYC587内部功能框图


典型应用电路

 

        GYC587

 

Copyright © 2025 西安硅宇微电子有限公司        技术支持:兄弟网络