GYC02是一款高精度电压基准源,7.2V至40V的宽电源电压范围内,提供几乎不随输入电压变化的5V输出,且可支持高达10mA的双向负载电流。
GYC02采用专利电路设计,保证了优异的噪声性能以及极低的温漂,是任何高精度应用中电压基准的理想选择。
GYC02提供SOP8、CSOP8、CDIP8、SBDIP8、TO-99/8L的封装形式,电气特性完全兼容ADI公司的REF02系列,可实现pin对pin原位插拔替换。
顶视图


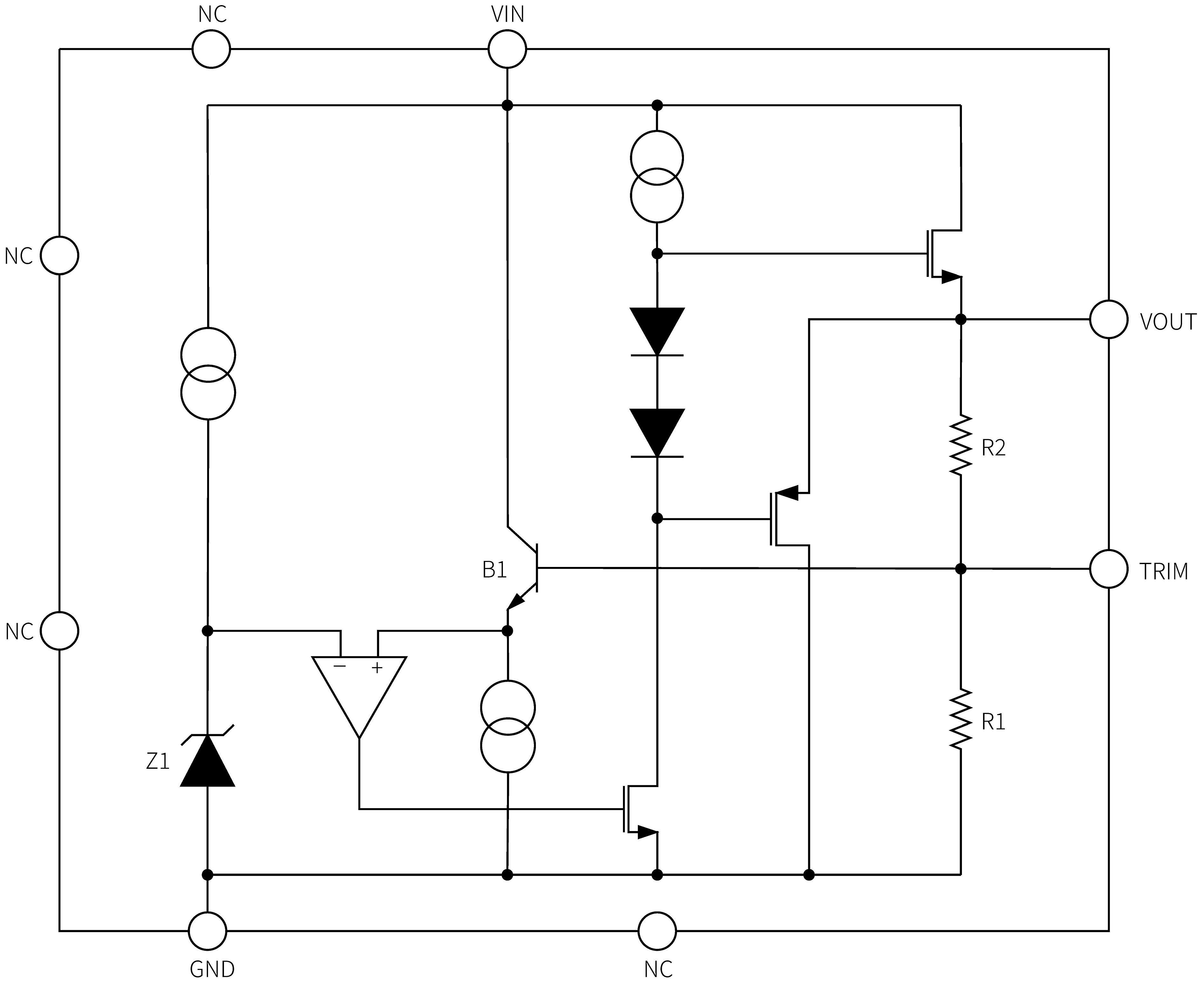
工作原理框图

典型应用电路

Copyright © 2025 西安硅宇微电子有限公司 技术支持:兄弟网络