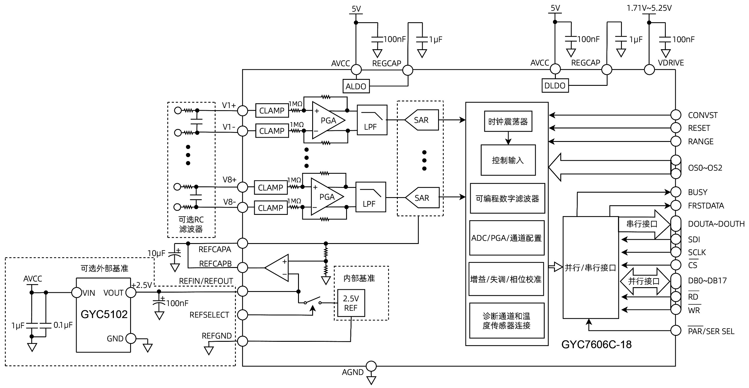
GYC7606C-18是一款18位、8通道同步采样数据采集系统(DAS)。各通道均内置模拟输入钳位保护、可编程增益放大器(PGA)、低通滤波器(LPF)和18位SAR ADC。GYC7606C-18还内置了灵活的数字滤波器、低温漂2.5V基准电压源、基准电压缓冲器以及高速串行和并行接口。
GYC7606C-18采用5V单电源供电,可以处理单端±12.5V、±10V、±5V、±2.5V和差分±25V、±20V、±12.5V、±10V、±5V真双极性输入信号,同时所有通道均能以高达1MSPS的吞吐速率采样。输入钳位保护电路可以承受高达±19.5V的电压。1MΩ的高输入阻抗以及片内滤波器,可以极大简化外围电路设计。
单端:±12.5V、±10V、±5V、±2.5V
差分:±25V、±20V、±12.5V、±10V、±5V
模拟输入ESD可达7000V
94.5dB SNR(无过采样),-107dB THD
±2LSB INL,±0.6LSB DNL
SPI/QSPI/MICROWIRE/DSP兼容
模拟输入钳位保护
具有1MΩ模拟输入阻抗的输入缓冲器
一阶抗混叠模拟滤波器
片内精密基准电压及缓冲
18位、1MSPS ADC(所有通道)
灵活的数字滤波器,过采样率高达256倍
23KHz和202KHz两种带宽选项
顶视图

工作原理框图

典型应用电路
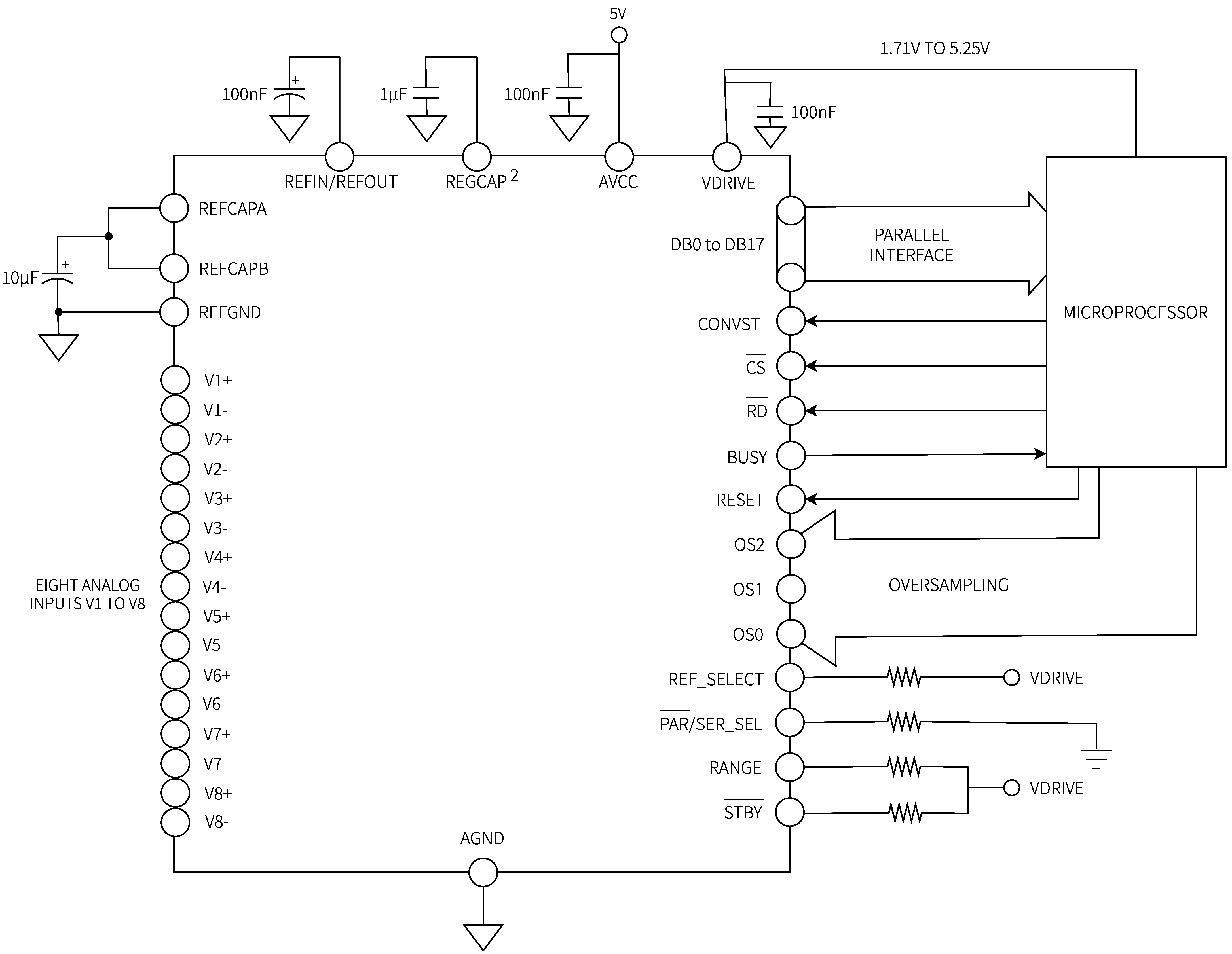
硬件模式典型连接图

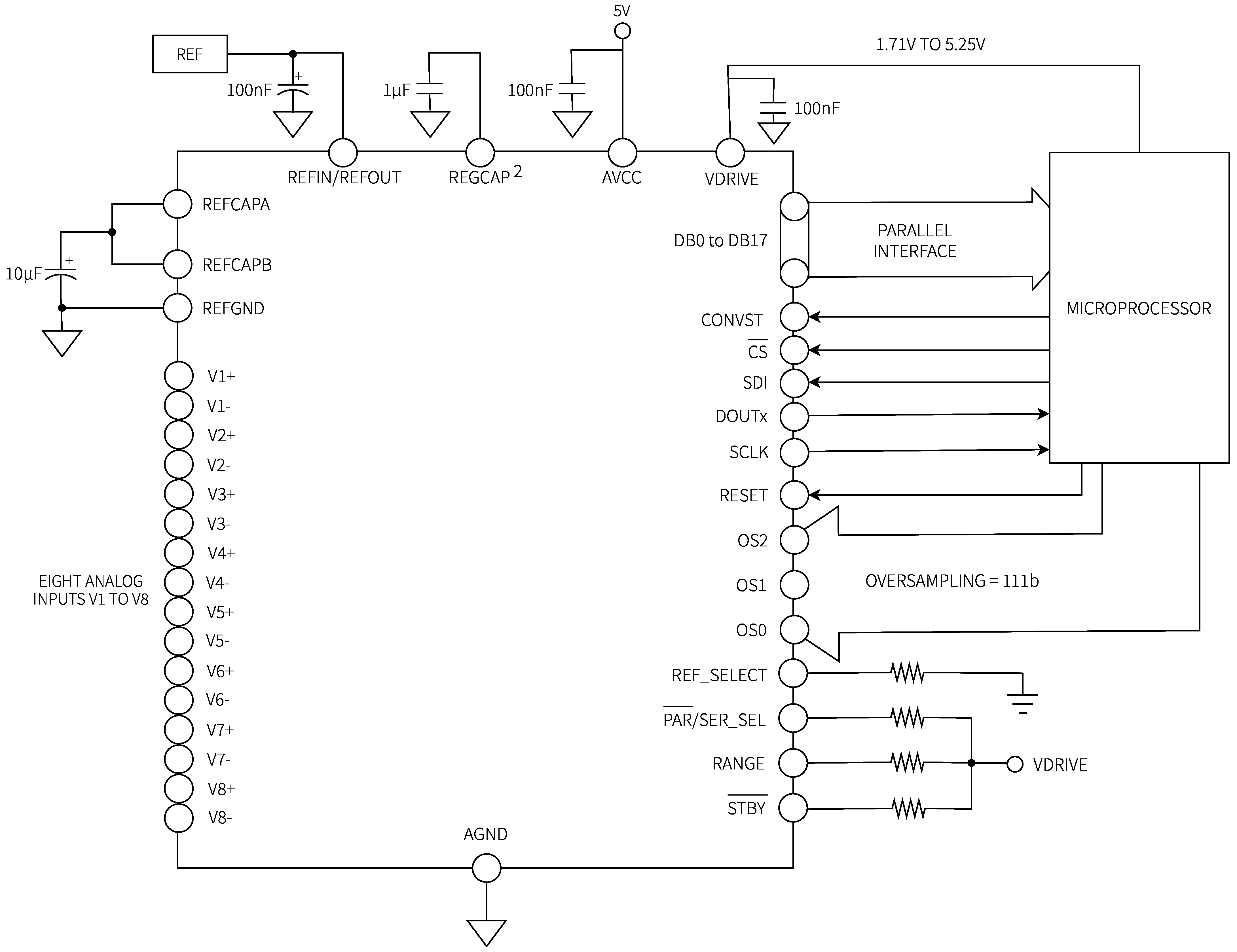
软件模式典型连接图

Copyright © 2025 西安硅宇微电子有限公司 技术支持:兄弟网络