GYG1761是一款CMOS、低压差(LDO)线性稳压器,采用1.9V至20V电源供电,最大输出电流为300mA。这款高输入电压LDO适用于调节20V至1.2V供电的高性能模拟和混合信号电路。该器件采用先进的专有架构,在提供高电源抑制、低噪声特性的同时保持低静态电流,仅需一个2.2μF小型陶瓷输出电容,便可实现出色的线路与负载瞬态响应性能。GYG1761稳压器输出噪声为8.5μVRMS,与5V及以下的固定选项输出电压无关。
GYG1761提供6种固定输出电压:1.2V(可调节)、1.22V(可调节)、1.5V、1.8V、2.5V、3.3V和5.0V。
每个固定输出电压都可以通过外部反馈分压器在初始设定点以上调整。这使GYG1761可提供1.2V ~ VIN – VDO的输出电压且具有高PSRR和低噪声。
GYG1761提供DFN6、SOT23-5的封装形式。
仅有DFN6封装支持通过外部电容进行用户可编程软启动。
可调输出电压范围:1.2V ~ VIN – VDO
GYG1761-ADJ可调输出电压范围:1.22V ~ VIN – VDO
±1.2%(TJ = -55°C ~ +125°C)
±1.6%(TJ = -55°C ~ +150°C)
顶视图



工作原理框图

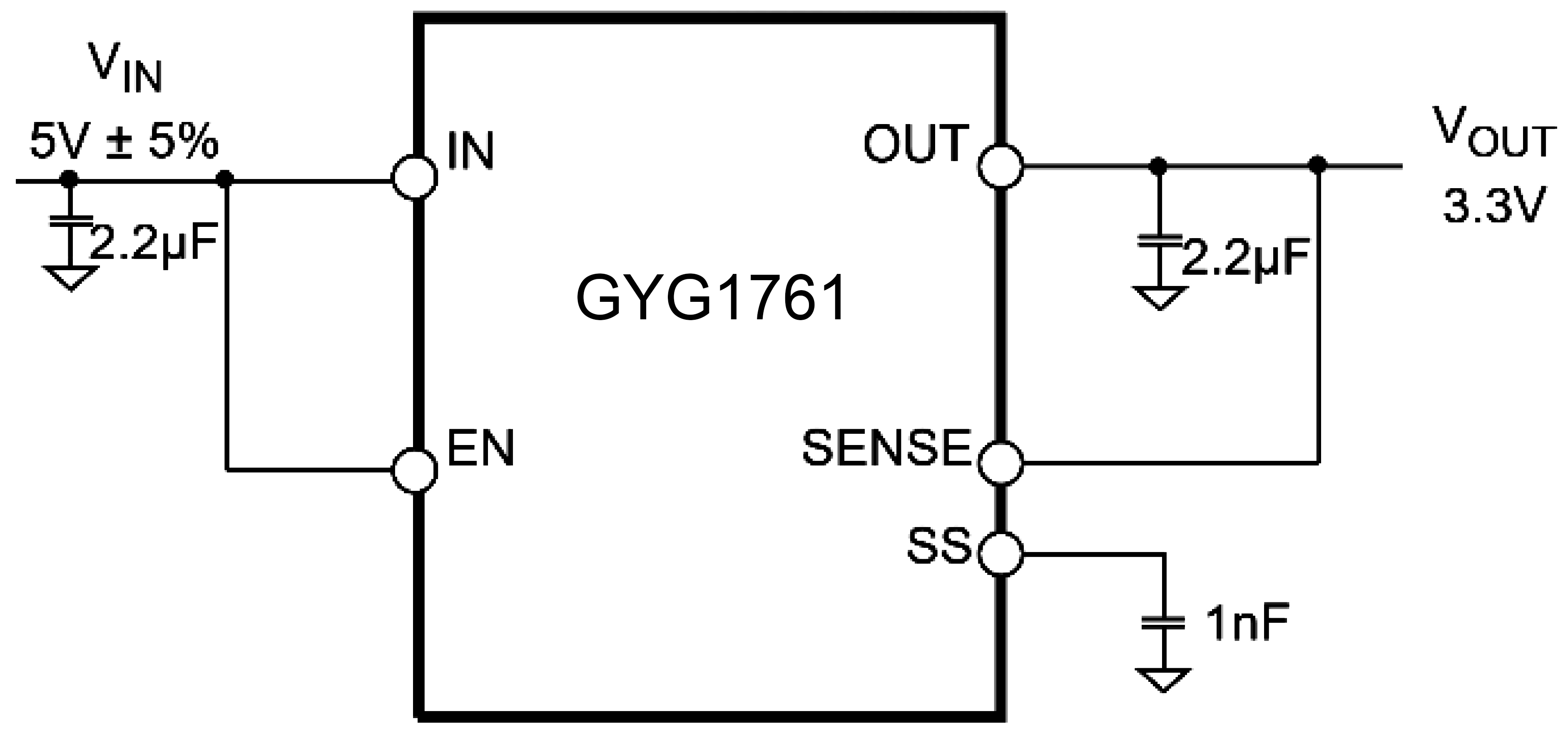
典型应用电路



Copyright © 2025 西安硅宇微电子有限公司 技术支持:兄弟网络