GY7512属于防闩锁型介质隔离CMOS多路模拟开关,可提供最高超出电源电压范围±25 V的过压保护。而且在拥有这些优势的同时,并不影响模拟开关的低导通电阻和低漏电流的特性。
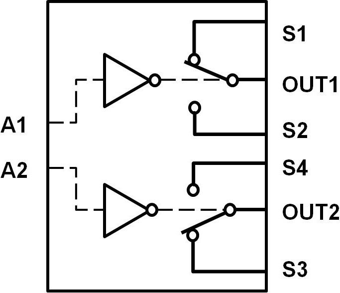
GY7512为双通道单刀双掷(SPDT)的模拟开关,数字控制逻辑是高电平导通,提供TTL和CMOS逻辑兼容的数字输入。
GY7512电路电气特性完全兼容AD7512DI系列,可实现pin对pin原位插拔替换。
顶视图

工作原理框图

典型应用电路

Copyright © 2025 西安硅宇微电子有限公司 技术支持:兄弟网络