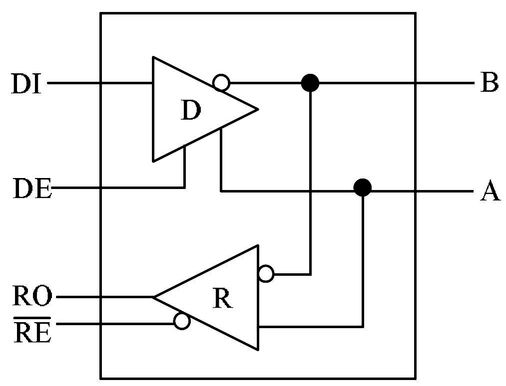
GYU13088E是用于RS-485通信的高速收发器,包含一个发送器和一个接收器。这些器件具有故障保护电路,当接收器输入处于开路、短路或空闲状态时,可确保接收器输出为逻辑高电平。这意味着,如果在终端总线上所有发送器均被禁用(高阻抗),接收器输出将为逻辑高电平。发送器的转换速率不受限制,使得传输速度最高可达10Mbps。
空载时或满载且发送器禁用时,收发器的典型功耗为650μA。所有器件的接收器输入阻抗均为1/8单位负载,允许总线上最多有256个收发器,并且旨在用于半双工通信。
顶视图

工作原理框图

典型应用电路

Copyright © 2025 西安硅宇微电子有限公司 技术支持:兄弟网络