GYR1042是新一代高速8Mbps控制器局域网(CAN)收发器,符合ISO 11898-2:2016以及SAE J2284-1至SAE J3384-5高速CAN规范。该收发器提供了CAN协议控制器与两线CAN物理总线之间的接口,可应用汽车和工业控制等领域。
GYR1042具有两种工作模式:正常模式和待机模式,可通过STB引脚进行选择。正常模式下数据传输速率可超过8Mbps,而待机模式会禁用发射器,使收发器置于低电流模式,此时其RXD输出会反映总线显性和隐性状态持续时间超过唤醒滤波器时序时的状态。在正常模式下,接收器输入具有从-40V至+40V的扩展输入共模范围,超过了ISO 11898规范规定的-2V至+7V。该收发器还集成了以VIO引脚为参考的电平转换器,这使得收发器能够直接与逻辑电平为2.8V~5.5V的控制器连接。
该收发器集成了多种保护功能,如热关断、限流、TXD显性超时、高达±70V的总线故障保护,以及在电源欠压或悬空时的故障安全保护。GYR1042还在总线引脚上提供强大的±25kV人体模式(HBM)静电防护、±15kV IEC气隙放电防护和±8kV IEC接触放电防护。
GYR1042提供SOP8的封装形式,电气特性完全兼容TI公司的TCAN1042H、TCAN1044A,NXP公司的TJA1040、TJA1042、TJA1044,可实现pin对pin原位插拔替换。
顶视图

工作原理框图

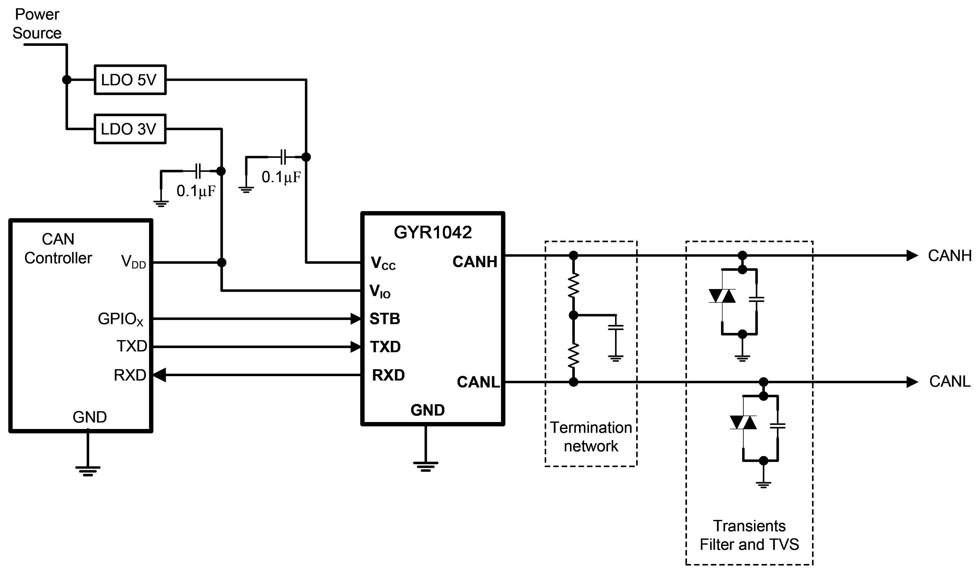
典型应用电路

Copyright © 2025 西安硅宇微电子有限公司 技术支持:兄弟网络