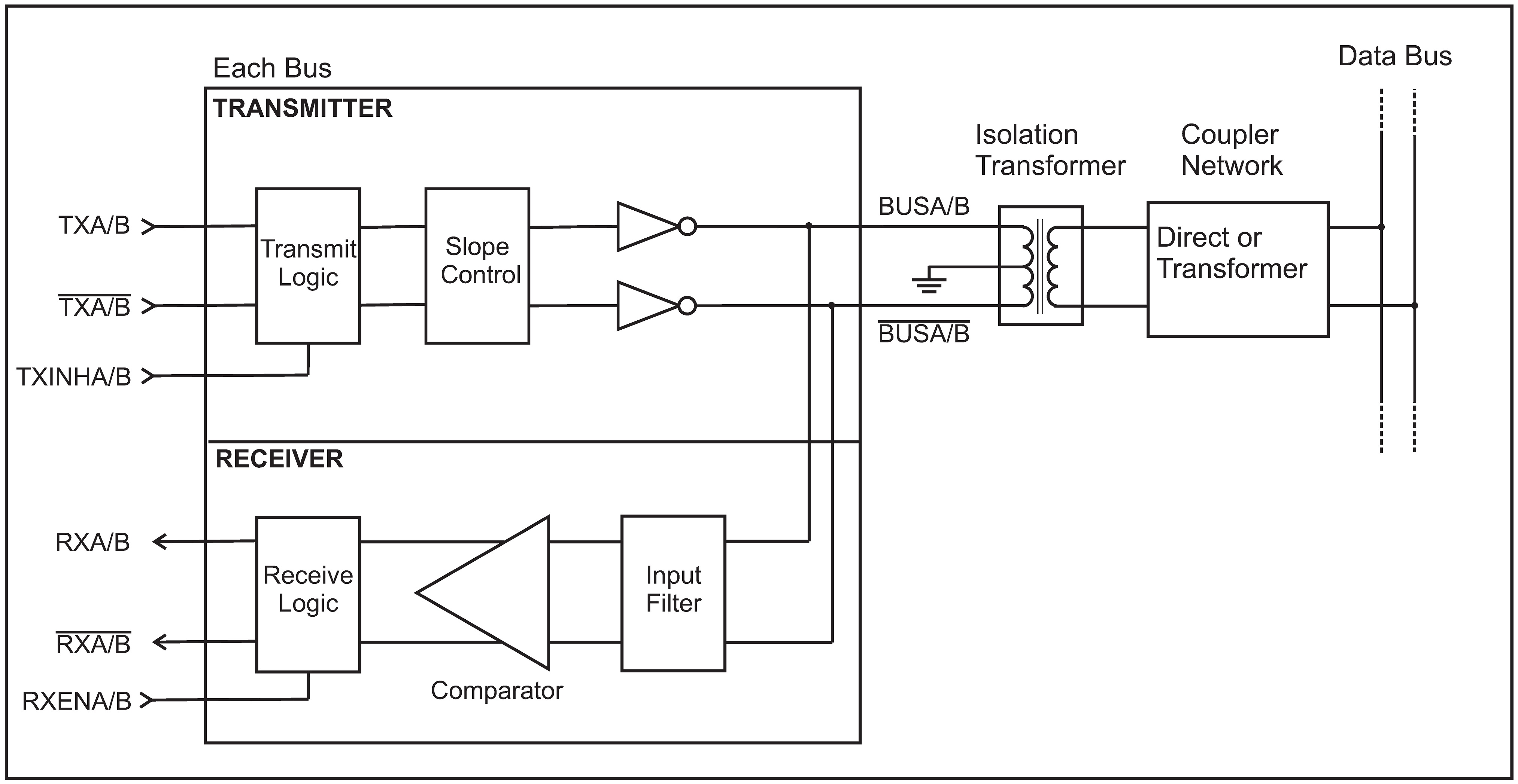
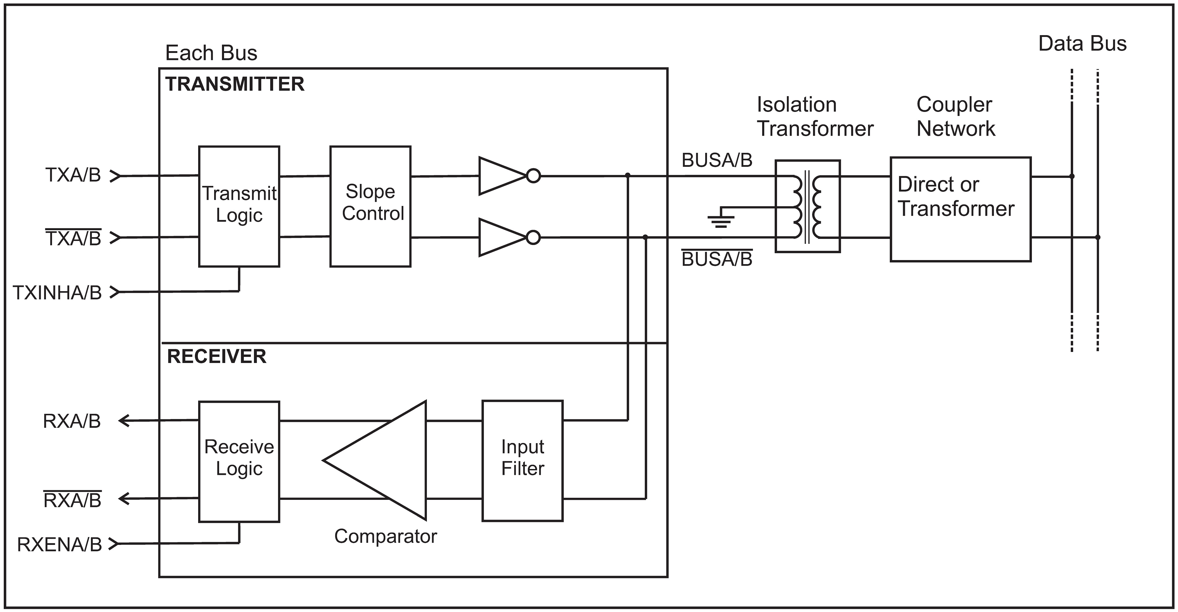
GY1567是符合MIL−STD−1553、MIL−STD−1760总线标准的低功耗CMOS双通道总线收发器。芯片由两通道1553收发器组成,每通道都包括发送器和接收器,可独立工作。
发送器将互补的CMOS/TTL双相曼彻斯特编码数字输入信号转换成适于驱动隔离变压器的1553总线信号,每个发送器有一个单独的输出禁止控制信号。接收器将总线上接收到的1553总线信号转换成互补的CMOS/TTL格式的数字信号,每个接收器有一个单独的输入使能控制信号。
GY1567数据传输速率是1Mbps,电气特性完全兼容HOLT公司的HI−1565和HI−1567,可实现 pin对pin原位插拔替换。
顶视图

工作原理框图

典型应用电路

Copyright © 2025 西安硅宇微电子有限公司 技术支持:兄弟网络